貌盛制冷专业从事冷库安装工程,冷库安装设计,小型冷库安装,冷库造价等冷库工程工作。

冷库安装工程

小型冷库安装、冷库安装设计、冷库工程、冷库造价表
冷库安装设计
貌盛热线
400-820-6630
貌盛热线:021-58633338
手机:18918155559
地址:上海市浦东新区华东路1239号1号楼2层
为什么选择我们
WHY CHOOSE US
01
提供整套解决方案
02
专业冷库设计建造
03
冷库设计行业资质
04
经验丰富的运作团队
05
众多知名企业合作商
06
及时的售前售后服务
浦东工业园6738立方米大型保鲜冷库安装
您当前所在的位置: 首页 冷库工程案例 保鲜冷库建造
浦东工业园6738立方米大型保鲜冷库安装
时间:2018-06-29 浏览:
分享至:
工程名称:
浦东工业园6738立方米大型保鲜冷库安装
工程时间:
2018年
工程简介:

 2018年6月,貌盛制冷经老客户介绍,委托了我们在浦东新区的工业园为其建造安装了6738立方米大型保鲜冷库以及40立方的低温速冻冷库。目前工程正在调试检测中,欢迎广大客户前来考察!


工程概况:该冷库安装工程位于浦东的工业园区,共上下两层。


                  一层为一间温度为-39℃速冻库17.2㎡*2.3m;3间温度为0-5℃保鲜库,尺寸分别为:141㎡*5.2m,139㎡*5.2m,131㎡*5.2m。



                      二层为4间温度为0-5℃保鲜库,尺寸分别为263㎡*3.2m,408㎡*3.2m,407㎡*3.2m,360㎡*3.2m。



微信图片_20180929145511.png


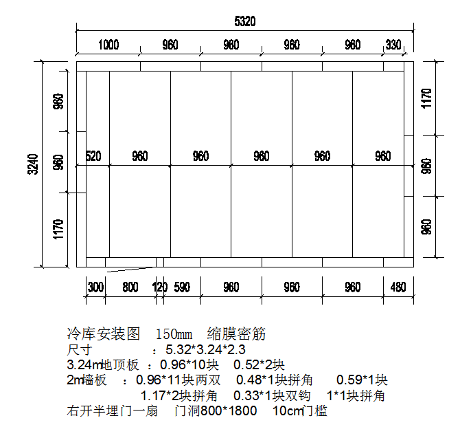
部分冷库安装图纸


 


  冷库现场施工安装图:


未标题-1.jpg


未标题-2.jpg

客户简介:
2018年6月,貌盛制冷经老客户介绍,委托了我们在浦东新区的工业园为其建造安装了6738立方米大型保鲜冷库以及40立方的低温速冻冷库。
立即申请冷库报价方案
冷库安装工程

今日已有1093人报名

立即申请冷库设计方案

今日已有1093人报名